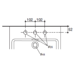
尺寸:高 177 mm X 闊 545 mm X 深 465 mm
保養期:3 年
Ladena底部弧度和簡潔大氣的線條喚起休閒優雅感。 其經典風格與多功能性令Ladena成為誘人的選擇,亦能協調搭配傳統和現代的浴室 釉面陶瓷 8"龍頭孔 有溢水口 尺寸:545*465毫米