您的購物車沒有添加商品!








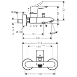
尺寸:闊 218 mm
保養期:1 年
高品質、弧形設計的愛好者一定會喜歡Metris,因為這些水龍頭增加了亮點,並在外觀和便利性方面樹立了標準。永恆、實用的hansgrohe系列為您在洗臉盆、浴缸和淋浴間提供了更多的操作空間。
明裝龍頭安裝在浴缸上方的牆壁上 - 設計優雅且易於使用。
只需用手指即可擦掉水垢沉積物和污垢。最大限度地減少清潔工作。
Mixes air into the water. For a soft, low-splash water jet and full, light drops.
特色
2個功能
projection:181 毫米
中心距:150±12毫米
spray type mixer: 普通噴霧
3 bar 時的最大流量:21 l/min
3 bar 壓力下浴缸噴嘴的流量:21 l/min
3 bar 時手持噴頭的流量:8 l/min
陶瓷墨水匣
溫度限制可調
具有自動重設功能的轉向器
防回流,符合 DIN EN 1717 標準
with silencer
適用於連續流熱水器
連接尺寸:DN15
連接類型:S形連接
壁掛式
最小限度。工作壓力:1巴
最大限度。工作壓力:10巴